Ключевое ?лово

vk

Добро пожаловать, Гость
Логин: Пароль: Запомнить меня
Железо для умного дома
  • Страница:
  • 1
  • 2
  • 3
  • 4
  • 5

ТЕМА: Поделитесь опытом как управлять нагрузкой 220V

Поделитесь опытом как управлять нагрузкой 220V 16 Сен 2015 15:38 #6263

  • Vbifyz1
  • Vbifyz1 аватар
  • Не в сети
  • Живу я здесь
  • Сообщений: 356
  • Спасибо получено: 67
  • Репутация: 16
Пришло время подключить вместо светодиодиков реальную нагрузку.
Хочется попроще и поменьше .
Например OMRON твёрдотельное реле G3MB подойдет ???
ru.aliexpress.com/item/Free-shipping-5V-...72_73_74_75,201409_5
Лень - двигатель прогресса.
Администратор запретил публиковать записи гостям.

Поделитесь опытом как управлять нагрузкой 220V 16 Сен 2015 15:48 #6265

  • kollj
  • kollj аватар
  • Не в сети
  • Давно я тут
  • Сообщений: 148
  • Спасибо получено: 40
  • Репутация: 2
подойдет, только нужно творчески, не верить в максимальную мощность. лично я использую в последее время МОС... и ВТ139. Пока все работает.
Администратор запретил публиковать записи гостям.

Поделитесь опытом как управлять нагрузкой 220V 16 Сен 2015 16:48 #6266

  • Vbifyz1
  • Vbifyz1 аватар
  • Не в сети
  • Живу я здесь
  • Сообщений: 356
  • Спасибо получено: 67
  • Репутация: 16
kollj пишет:
использую в последее время МОС... и ВТ139. Пока все работает.
А можно чуть поподробнее, для чайников ?

з.ы.
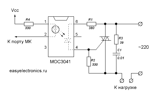
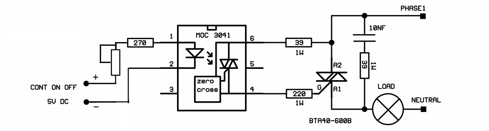
radiokot.ru/forum/download/file.php?id=1...895066da3026a07449a0
Так ?
radiokot.ru/forum/download/file.php?id=8...895066da3026a07449a0
или как ?

Вот, думать буду....
easyelectronics.ru/upravlenie-moshhnoj-n...eremennogo-toka.html
Но мне кажется если не очень мощная нагрузка (типа лампочки), то мой первый вариант проще ???
Лень - двигатель прогресса.
Последнее редактирование: 16 Сен 2015 17:20 от Vbifyz1.
Администратор запретил публиковать записи гостям.

Поделитесь опытом как управлять нагрузкой 220V 16 Сен 2015 17:48 #6268

  • Vbifyz1
  • Vbifyz1 аватар
  • Не в сети
  • Живу я здесь
  • Сообщений: 356
  • Спасибо получено: 67
  • Репутация: 16
Подскажите а можно использовать без всякой обвязки, напрямую
ru.aliexpress.com/item/Brand-New-High-St...-2A/32369792009.html
esp - omron - лампочка
Лень - двигатель прогресса.
Администратор запретил публиковать записи гостям.

Поделитесь опытом как управлять нагрузкой 220V 16 Сен 2015 19:24 #6270

  • kollj
  • kollj аватар
  • Не в сети
  • Давно я тут
  • Сообщений: 148
  • Спасибо получено: 40
  • Репутация: 2
не разбирал omron, но насколько понимаю там вышесказаная схема внутрь встроена. но все равно между выходом ЕСП и оптореле нужно ставить сопротивление. Если сравнить цену готового omron и собирать самому то получается omron дороже, но плюс не нужно мудрить с силовым модулем.

вот к примеру платки для трех и двух силовых в квадратный и круглый подрозетник. www.dropbox.com/s/d452x1hzcvx9cq6/board%20%282%29.lay6?dl=0

По аналогии сехм найдеными Вами
Администратор запретил публиковать записи гостям.
Спасибо сказали: Vbifyz1

Поделитесь опытом как управлять нагрузкой 220V 17 Сен 2015 08:36 #6274

  • Vbifyz1
  • Vbifyz1 аватар
  • Не в сети
  • Живу я здесь
  • Сообщений: 356
  • Спасибо получено: 67
  • Репутация: 16
Вот еще интересное описание :
jager-f.livejournal.com/48624.html

Именно голый Omron. для небольшой нагрузки.
И пишут, что работает от 2,5 вольт.
Лень - двигатель прогресса.
Последнее редактирование: 17 Сен 2015 08:38 от Vbifyz1.
Администратор запретил публиковать записи гостям.
  • Страница:
  • 1
  • 2
  • 3
  • 4
  • 5
Модераторы: FlyRouter
Время создания страницы: 0.136 секунд

Home`s Smart © 2013-2016. г.Киров.
Цитирование материалов возможно только со ссылкой на сайт. Использование фотоматериалов только с разрешения авторов.